Tổng quan về tụ bù là những thông tin cơ bản về cấu tạo, công năng[...]
Ưu điểm và nhược điểm khi lắp đặt tụ bù phía cao thế và hạ thế là gì?[...]
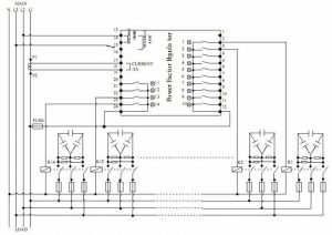
Cuộn kháng sử dụng cho tụ bù hay còn được gọi là cuộn kháng lọc sóng[...]
Cài đặt tụ bù là một trong những vấn đề khó mà nhiều kĩ sư[...]
Tụ bù Nuintek nhập khẩu trực tiếp Hàn Quốc là dòng tụ bù được sử dụng[...]
Kiểm tra tụ bù hạ thế như thế nào là đúng cách để có thể[...]
Tên tài khoản hoặc địa chỉ email *
Mật khẩu *
Ghi nhớ mật khẩu
Quên mật khẩu?