Bộ lọc sóng hài tích cực?

Bộ lọc sóng hài tích cực được sản xuất để khử sóng hài trong hệ thống điện, bộ lọc được sử dụng rộng rãi ở các nước tiên tiến, và tại Việt Nam đây là dòng sản phẩm mới để đáp ứng tiêu chuẩn ngày càng cao của ngành điện.

Sóng hài được phát hiện từ năm 1890. Nguồn điện phát ra từ các nhà máy do cuộc dây stator của máy phát là dạng hình sin chuẩn theo hàm u(t)=Usin(Ωt+β), trong quá trình truyền tải từ nhà máy về nơi sử dụng thì dạng sóng không còn là hình sine nữa mà bị méo dạng (sóng hài), do quá trình vật lý xảy ra của các phụ tải phi tuyến trên lưới.

1. Nguyên nhân gây sóng hài

Là do các phụ tải dạng phi tuyến trong hệ thống điện. Điện áp đầu vào của tải phi tuyến là dạng hình sin nhưng dòng qua nó có dạng không sin.

Một dạng sóng bất kỳ là tổng của các dạng sóng hình sin. Khi đồng nhất từ chu kỳ này sang chu kỳ khác nó có thể được miêu tả như những sóng sin cơ bản và bội số của tần số cơ bản, có nghĩa là bao gồm sóng sin cơ bản và chuỗi của các dạng sóng sin hài bậc cao, gọi là chuỗi Fourier.

Quá trình tính toán có thể độc lập với mỗi hài riêng. Kết quả tính toán của mỗi tần số sẽ được kết hợp vào một dạng của chuỗi Fourier để có dạng sóng ra tổng quát nếu cần.

Thông thường chỉ cần quan tâm đến biên độ của sóng hài . Khi cả nửa chu kỳ âm, dương của một dạng sóng có dạng đồng nhất, chuỗi Fourier chỉ chứa hài bậc lẻ. Vì hầu hết các thiết bị sinh ra sóng hài thông thường có dạng sóng đồng nhất nên trong thực tế ta chỉ cần quan tâm đến sóng hài bậc lẻ 3,5,7,…

2. Ảnh hưởng của sóng hài:

  • Quá nhiệt các thiết bị điện, dây dẫn, hỏng cách điện
  • Làm giảm tuổi thọ của các thiết bị điện
  • Hỏng hệ thống tụ bù
  • Gây ồn, rung máy biến áp, động cơ và các thiết bị khác
  • Làm giảm hệ số cos phi -> tiêu hao năng lượng sử dụng
  • Gây nhiễu các thiết bị, làm sai lệch kết quả hoặc tín hiệu điều khiển

3. Ứng dụng lọc sóng hài tích cực

  • Thương mại
  • Bù điều hòa có thể lựa chọn
  • Bù hiện tại trung tính
  • Cấu hình bộ lọc dựa trên LCL
  • Lọc đến sóng hài bậc 50
  • Hệ số suy giảm hài hòa là 98%
  • Bù công suất phản kháng
  • Cân bằng pha / tải
  • Kiểm soát hệ số công suất
  • Giao diện người dùng đồ họa thân thiện với LCD
  • Điều khiển từ xa Giao diện MMI với môi trường dựa trên đồ họa
  • Tương thích với giao tiếp RS232
  • Công nghệ điều chế tiên tiến để giảm méo sóng hài cực thấp

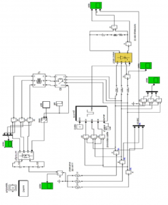
4. Sơ đồ thiết kế bộ lọc tích cực

Sơ đồ khối gồm hệ thống bộ lọc tích cực song song 3 pha 4 dây gồm các khâu chính như sau :

Nguồn: Hệ thống nguồn 3 pha 4 dây cung cấp cho tải không cân bằng.
Tải không cân bằng: Tải gồm bộ chỉnh lưu cầu 3 pha điều khiển hoàn toàn đối xứng, kết hợp với bộ chỉnh lưu cầu 1 pha Diode được nối vào pha a.

Bộ nghịch lưu 3 pha được điều khiển theo quy tắc kích đóng đối nghịch, được nối với hệ thống thông qua cuộn cảm L.

Nguồn DC cấp áp cho bộ nghịch lưu.

Khâu tạo xung bộ nghịch lưu – Pulse, tạo xung dóng cắt cho bộ nghịch lưu.
Bộ điều khiển bộ nghịch lưu : Điều khiển thời điểm bộ nghịch lưu tác động vào lưới thông qua CB 3 pha . Đồng thời cũng điều khiển thời điểm tác động của xung điều khiển đóng cắt các van ban dẫn cho bộ nghịch lưu.

 

 

096 266 3333