Bộ lọc sóng hài thụ động có thể được thiết kế để giảm được các sóng hài bậc cao. Vị trí lắp đặt cũng như kiểu bộ lọc và thông số kết cấu của nó đều phải thay đổi tùy vào từng trường hợp cụ thể của hệ thống điện.
Bộ lọc sóng hài thụ động là gì?
Thông thường các bộ lọc thụ động có kết cấu gồm nhiều loại đường dẫn song song có trở kháng thấp đối với nhiều bậc hài khác nhau. Dòng hài sẽ chảy qua các đường dẫn có trở kháng thấp này và làm áp hài tại điểm xét giảm đi.
Ta thấy nguồn sinh sóng hài là từ nhiều loại thiết bị khác nhau của các hãng sản xuất khác nhau. Và để xác định ai là người phải chịu trách nhiệm cho bộ lọc nào là điều không thể. Một bộ lọc cho một thiết bị cụ thể nào đó sẽ được đặt gần ngay thiết bị đó để có thể lợi dụng được điện kháng nguồn tính đến điểm đặt đó. Trong nhiều trường hợp khi có đủ điện kháng nguồn tính tại điểm ta xét để giảm sóng hài thì một bộ lọc đặt tại điểm này có thể sẽ hút sóng hài từ nhiều nguồn hài khác nhau chảy đến. Điểm đặt này gọi là điểm đổi nối chung (point of common coupling PCC). Tuy nhiên trong mọi trường hợp bộ lọc phải được thiết kế để tránh quá tải khi phải hứng dòng hài chảy đến từ những phần khác của hệ thống điện, điều này khiến việc tính toán trở nên phức tạp.
Phân loại bộ lọc thụ động
Bộ lọc thụ động có thể được phân chia thành một số loại như sau:

Bộ lọc thụ động rẽ nhánh
Sử dụng bộ lọc kiểu này mang lại tính kinh tế cao và thường khá hiệu quả trong phần lớn các trường hợp. Bộ lọc được điều chỉnh để cộng hưởng nối tiếp tại một tần số hài nhất định. Qua đó tạo ra một đường dẫn trở kháng thấp cho dòng hài đó. Bộ lọc này được nối theo kiểu rẽ nhánh với hệ thống điện. Ngoài tác dụng hạn chế sóng hài thiết bị này còn có thể cải thiện hệ số công suất. Thực tế người ta thường tận dụng luôn các tụ bù hệ số công suất để tạo thành bộ lọc này.
Một điểm cần chú ý với bộ lọc này đó là nó tạo ra một điểm cộng hưởng song song tại tần số dưới tần số chỉnh. Ta phải tránh để tần số cộng hưởng này trùng với một tần số điều hòa nào đó. Bộ lọc thường được chỉnh để có tần số lọc nhỏ hơn một chút so với bậc hài cần lọc qua đó sẽ tạo ra một biên độ an toàn trong trường hợp một vài thông số thay đổi.
Để tránh sự cố xảy ra với hiện tượng cộng hưởng này các bộ lọc phải được thiết kế để lọc ngay từ bậc hài nhỏ nhất. Thường các tụ điện hạ áp thường được nối tam giác, do vậy ta có cấu trúc điển hinh của một bộ lọc rẽ nhánh ở hạ áp như hình dưới đây:

Hình 1.1: Cấu trúc bộ lọc và mạch thay thế tương đương
Cấu trúc của bộ lọc như vậy sẽ không thu hút được dòng điện thứ tự không do tụ được nối tam giác. Điều này làm bộ lọc không hiệu quả trong việc lọc các hài triplen thứ tự không. Do đó ở hạ áp để hạn chế các hài này ta phải sử dụng các biện pháp khác.
Ngược lại, các tụ điện trong mạng phân phối thường được nối sao. Điều này tạo thuận lợi cho việc hạn chế hài triplen. Lắp một cuộn kháng ở trung tính của bộ tụ là cách thông thường để bộ tụ lọc đi hài thứ tự không.
Bộ lọc thụ động chỉ nên được lắp đặt khi trở kháng ngắn mạch tại điểm lắp đặt có giá trị không đổi. Lý do là vì với bộ lọc này thì tần số điều chỉnh để lọc điều hòa là không đổi nhưng điểm cộng hưởng song song lại thay đổi tùy vào trở kháng của hệ thống. Đây cũng là lý do để không sử dụng bộ lọc kiểu này với hệ có máy phát điện dự phòng. Máy phát điện dự phòng có trở kháng cao hơn rất nhiều so với trở kháng lưới điện dẫn đến điểm cộng hưởng song song lúc này có giá trị thấp hơn nhiều và như vậy sẽ dẫn đến việc khuếch đại các sóng hài.
Bộ lọc thụ động kiểu nối tiếp
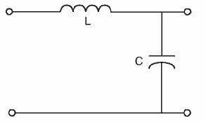
Bộ lọc này nối nối tiếp với tải . Bộ lọc gồm điện dung và điện kháng nối song song được điều chỉnh để có trở kháng cao với một tần số hài nhất định. Trở kháng cao này ngăn dòng điều hòa có tần số bằng tần số chỉnh của bộ lọc. Tại tần số cơ bản bộ lọc có trở kháng thấp và như vậy cho phép dòng cơ bản đi qua.
Hình 1.2: Bộ lọc thụ động kiểu nối tiếp
Bộ lọc nối tiếp được sử dụng để ngăn một hài nhất định ( ví dụ hài bậc 3 ) và thường dùng trong mạch một pha vì khi đó không thể lợi dụng được đặc tính thứ tự không.
Khi lọc nhiều bậc hài khác nhau thì bộ lọc kiểu này tỏ ra hạn chế. Lý do là vì cấu trúc mạch lọc khi đó gồm nhiều bộ lọc nối tiếp, mỗi bộ lọc được điều chỉnh để lọc một hài nhất định, dẫn đến tổn hao quá lớn.
Ngoài ra bộ lọc nối tiếp còn phải mang dòng đầy tải khi làm việc và phải lắp thêm các thiết bị bảo vệ quá dòng.
Bộ lọc thông thấp
Khi phải lọc một dải nhiều tần số điều hòa, bộ lọc thông thấp là một giải pháp lý tưởng. Với bộ lọc này, dòng hài có tần số nhỏ hơn tần số cắt có thể đi qua còn dòng hài có tần số cao hơn tần số cắt sẽ bị lọc đi. Cấu trúc điển hình của một bộ lọc kiểu này như trên hình 1.3
Hình 1.3: Cấu trúc bộ lọc thông thấp
Bộ lọc thông thấp ứng dụng trong công nghiệp có cấu trúc như sau:
Hình 1.4: Bộ lọc thông thấp ứng dụng trong CN
Trong cấu trúc trên sự có mặt của tụ điện làm tăng điện áp tại tại đầu vào của tải, do vậy cần lắp thêm một máy biến áp giảm áp
Bộ lọc tụ C
Bộ lọc tụ C là một giải pháp có thể thay thế được cho bộ lọc thông thấp. Bộ lọc này có thể làm suy giảm một dải các bậc điều hòa sinh ra từ các bộ biến đổi điện tử công suất, các lò hồ quang ..
Cấu trúc của bộ lọc tụ C như hình dưới 1.5:
Hình 1.5: Mạch thay thế tương đương khi lắp bộ lọc tụ C
Nguyên lý của bộ lọc như sau :
Tại tần số cơ bản tụ Ca và Lm tạo ra cộng hưởng dẫn đến ngắn mạch điện trở R. Do vậy các tổn hao sinh ra do trở R được loại trừ.
Tại tần số hài bậc cao, dung kháng Ca rất nhỏ trong khi cảm kháng Lm lớn, và điện kháng của nhánh Lm Ca gần bằng kháng của Lm . Lúc này bộ lọc tụ C lại có dạng giống như bộ lọc thông cao bậc hai. Nói cách khác, đáp ứng tần của bộ lọc kiểu tụ C và bộ lọc thông cao bậc hai là gần giống nhau ở đoạn tần số cao.
Hình 1.6: Bộ lọc tụ C và đáp ứng tần của trở kháng (đường nét liền)
Không giống như bộ lọc tích cực, bộ lọc thụ động cần các thông số thiết bị nhà của nhà máy thật chính xác, các phụ tải được phân loại để xác định nguồn sinh ra sóng hài, chu kỳ hoạt động tải, hệ số tải, … Và đo đếm bằng đo máy chuyên dụng để phụ vụ thiết kế. Việc thiết kế sau đó phải được kiểm tra tính đáp ứng trên những phần mềm mô phỏng nhằm tinh chỉnh các thông số cần thiết trước khi chế tạo.
Nên chọn nơi cung cấp bộ lọc sóng hài thụ động ở đâu?
Công ty TNHH AT Đông Dương phối hợp với hãng sản xuất thiết bị điện lớn tại Hàn Quốc cung cấp các giải pháp lọc sóng hài hiệu quả và tối ưu nhất. Chúng tôi có đội ngũ kỹ sư chuyên nghiệp trong và ngoài nước, luôn sẵn sàng lắng nghe yêu cầu của Khách hàng.
Mọi thông tin vui lòng liên hệ:
Hotline : 096 266 333.
Email : kinhdoanh@atdongduong.com

