Bộ lọc sóng hài thụ động có thể được thiết kế để giảm được các[...]
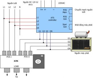
Tủ ATS là một thiết bị quan trọng trong hệ thống điện, là thiết bị chuyển[...]
UPS là gì? Hoạt động của UPS trong sơ đồ tủ ATS như thế nào?[...]
Hãy cùng AT Đông Dương tìm hiểu tổng quan tủ điện ATS trong bài viết[...]
Bộ điều khiển tụ bù là thiết bị trung tâm của tủ điện tụ bù tự động bù[...]
Sóng hài ảnh hưởng không nhỏ tới hệ thống điện. Trước khi có sự xuất[...]
Tên tài khoản hoặc địa chỉ email *
Mật khẩu *
Ghi nhớ mật khẩu
Quên mật khẩu?